Панель управления на NJoy32

Любые темы, близкие к устройствам для симуляторов.

Moderator: AdminGroup

User avatar
Alex Oz
Posts: 1367
Joined: Mon May 12, 2008 9:10
Location: Минск
Has thanked: 38 times
Been thanked: 165 times

Re: Панель управления на NJoy32

Postby Alex Oz » Fri Jul 13, 2018 7:19

Для изготовления модуля индикации удобно использовать стандартную арматуру для светодиодных лент - как и сами SPI(!) ленты на WS2812/2811.
Лента может продаваться в нарезку по 50 см или 1 м (60 светодиодов - шаг ~16 мм).

_DSC6990.JPG


Но есть один нюанс для таких лент по подключению. Лента питается от внешнего блока 5В. Контроллер имеет выход 3,3 В. Поэтому по-хорошему надо ставить согласование уровней:
http://we.easyelectronics.ru/Shematech/soglasovanie-logicheskih-urovney-5v-i-33v-ustroystv.html
Но можно проще - взять диод Шоттки на 1-2-3А (SS14/SS24/SS34 в зависимости от числа светодиодов -потребление 60ма на один чип WS2812) и через него уже запитать ленту. С большой вероятностью уровня сигнала контроллера уже будет достаточно для управления.
Крайние прошивки и софт / Latest firmware & software
https://www.njoy32.vkb-sim.pro/home
http://alex-oz.strana.de

Alexfly21
Posts: 37
Joined: Fri Mar 08, 2013 10:54
Has thanked: 7 times

Re: Панель управления на NJoy32

Postby Alexfly21 » Mon Aug 26, 2019 18:46

Здравствуйте! Помогите пожалуйста решить проблему. Контроллер Njoy32 версии Pro, прошивка 1,96F . Решил подключить ленту на диодах 2812. Сначала подключил два диода без блока питания на прямую к шине BUS, если в конфигураторе присваиваю светодиоду №8 зеленый цвет(постоянное свечение), светодиоду №9 красный или любой другой цвет(постоянное свечение). То первый №8 светится постоянно, а №9 в проблесковом режиме(двумя цветами светодиода №8 и своего). Пробовал подключать ленту через блок питания 5В через диод Шоттки как вы писали на форуме. Ситуация не меняется. Пробовал вешать сопротивления от 300-470 ом на линию данных безрезультатно. Если всем светодиодам присвоить один Event и один цвет в конфигураторе они все светятся постоянно правда одним цветов. Только меняю цвет любого из светодиодов режим постоянного свечения, предыдущий и последующий светодиоды начинают светиться двумя в мигающем режиме. Питание проверял, провода для проверки светодиодов специально сделал короткими примерно по 3-5 см.

User avatar
Victorus
Posts: 1739
Joined: Wed Sep 21, 2011 13:25
Has thanked: 408 times
Been thanked: 265 times

Re: Панель управления на NJoy32

Postby Victorus » Mon Aug 26, 2019 21:23

Схему в студию, пожалуйста!
Руководство пользователя по контроллерам VKB (VKB controllers User Guide) Ru&En
https://disk.yandex.ru/d/LlqiYtIrIetBOQ

Ron61
Posts: 3688
Joined: Tue Jan 15, 2013 23:56
Location: г.Минск
Has thanked: 46 times
Been thanked: 712 times

Re: Панель управления на NJoy32

Postby Ron61 » Mon Aug 26, 2019 21:25

И скриншот настроек вкладок External, External-Leds.

Alexfly21
Posts: 37
Joined: Fri Mar 08, 2013 10:54
Has thanked: 7 times

Re: Панель управления на NJoy32

Postby Alexfly21 » Mon Aug 26, 2019 22:09

На фотографии подключение с двумя светодиодами.
Attachments
1.jpg
2.jpg

Ron61
Posts: 3688
Joined: Tue Jan 15, 2013 23:56
Location: г.Минск
Has thanked: 46 times
Been thanked: 712 times

Re: Панель управления на NJoy32

Postby Ron61 » Mon Aug 26, 2019 22:36

Не рассмотреть дальний RGB, но там выход Dout первого подключен ко входу Din согласно PDF? И в тесте при выборе 8 откликается первый?
2812.png

Alexfly21
Posts: 37
Joined: Fri Mar 08, 2013 10:54
Has thanked: 7 times

Re: Панель управления на NJoy32

Postby Alexfly21 » Mon Aug 26, 2019 22:51

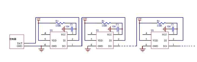
Вот по этой схеме подключал.
Attachments
Схема подключения W2812.jpg

Alexfly21
Posts: 37
Joined: Fri Mar 08, 2013 10:54
Has thanked: 7 times

Re: Панель управления на NJoy32

Postby Alexfly21 » Mon Aug 26, 2019 22:54

Да все верно из выхода первого светодиода D0 подключил ко второму через DI. Как в инструкции.

Ron61
Posts: 3688
Joined: Tue Jan 15, 2013 23:56
Location: г.Минск
Has thanked: 46 times
Been thanked: 712 times

Re: Панель управления на NJoy32

Postby Ron61 » Tue Aug 27, 2019 14:03

В тесте откликаются? Ставишь 8 и зажимаешь кнопку Fast Test - горит один, тоже самое только с 9 - горит другой. Есть такое?
1.png

Alexfly21
Posts: 37
Joined: Fri Mar 08, 2013 10:54
Has thanked: 7 times

Re: Панель управления на NJoy32

Postby Alexfly21 » Tue Aug 27, 2019 17:08

Пробовал и с лентой на 15 светодиодов и с двумя. Выбираю 8 светодиод, нажимаю Fast Test, мигают оба 8 и 9.

User avatar
Victorus
Posts: 1739
Joined: Wed Sep 21, 2011 13:25
Has thanked: 408 times
Been thanked: 265 times

Re: Панель управления на NJoy32

Postby Victorus » Tue Aug 27, 2019 21:03

Попробуйте поменять прошивку. Бывали похожести. С крайней (1.97.7) работает.
Руководство пользователя по контроллерам VKB (VKB controllers User Guide) Ru&En
https://disk.yandex.ru/d/LlqiYtIrIetBOQ

Alexfly21
Posts: 37
Joined: Fri Mar 08, 2013 10:54
Has thanked: 7 times

Re: Панель управления на NJoy32

Postby Alexfly21 » Tue Aug 27, 2019 21:28

Сменил прошивку на v1.977, проблема осталась. Правда частота мигания светодиода №9 разная, то меняется со своего, установленного в конфигураторе на цвет светодиода №8, то замирает на приблизительно на 1 секунду на своем цвете установленном в конфигураторе. В меню тест разное выбираю 8 светодиод нажимаю кнопку Fast Test, он засвечивается ярко белым в проблесковом режиме, №9 в то же время засвечивается более тускло. После отпускания кнопки Fast Test светодиод №8 гаснет, а №9 продолжает мигать, только теперь одним своим цветом.(режим его в конфигураторе "Constantly"). Еще один нюанс, после смены цвета на любом из двух светодиодов, когда в конфигураторе нажимаю кнопку Set, №9 светится постоянно своим цветом. Только произошло применение параметров и перезагрузка контролера мигание светодиода №9 возвращается.
Last edited by Alexfly21 on Tue Aug 27, 2019 21:45, edited 1 time in total.

Ron61
Posts: 3688
Joined: Tue Jan 15, 2013 23:56
Location: г.Минск
Has thanked: 46 times
Been thanked: 712 times

Re: Панель управления на NJoy32

Postby Ron61 » Tue Aug 27, 2019 21:41

Подключи только один и попробуй с единственным. После теста нужно перезагружать контроллер. Где-то гранаты не той системы...

Alexfly21
Posts: 37
Joined: Fri Mar 08, 2013 10:54
Has thanked: 7 times

Re: Панель управления на NJoy32

Postby Alexfly21 » Tue Aug 27, 2019 21:47

Пробовал с одним, все хорошо. И менял их местами и новые от ленты отрезал, только подключаю два и больше все возвращается.

Alexfly21
Posts: 37
Joined: Fri Mar 08, 2013 10:54
Has thanked: 7 times

Re: Панель управления на NJoy32

Postby Alexfly21 » Tue Oct 22, 2019 21:16

Проблема так и не решилась. Купил другие WS2812B потом WS2812D-F5, та же история. Достал новый контроллер версии 1.1, грешил на двухэтажный свой старый njoy32. Но увы проблема осталась. Первый светится как выставлено в конфигураторе остальные в мигающем режиме(при постоянном в меню конфигуратора). Может кто сталкивался с подобным.


Return to “Про все и обо всем.”

Who is online

Users browsing this forum: No registered users and 40 guests